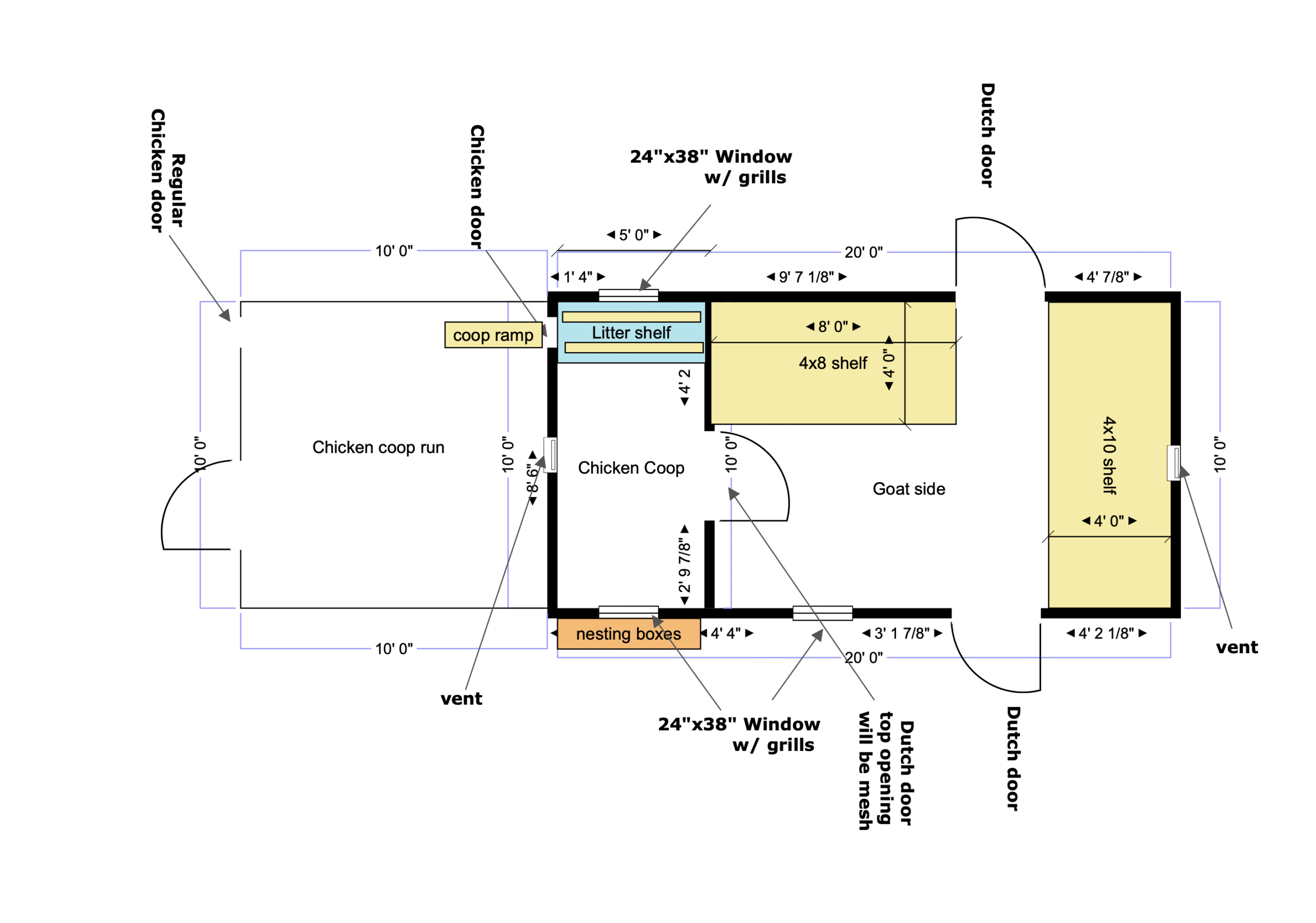
10’ x 30’ Chicken Coop / Goat Shed Combo
10’ x 30’ Chicken Coop / Goat Shed Combo
Overview
Kilin Dried Board and Batten
Clear Stain
Vapor Barrier all around
Double Bubble All Around
10’ x 15’ Goat Shed
(1) 4’x 8’ Shelf)
(1) 4’ x 10” Shelf
(1) 24” x 38” Window w/ Grills and mesh
(2) Dutch Doors
Fiberglass floor
Walls Between (mesh on the top of wall)
(1) Dutch Door w/ mesh on top opening (going into the coop)
5’ x 10’ Chicken Coop
Litter Shelf (with roosting bars and ramp)
(5) Nesting boxes
(2) 24” x 38” Window w/ Grills and mesh
Electric coop door
10’ x 10’ Chicken Coop Run
Regular man door on run
Additional Features
We also offer a 3-quarter-inch crushed stone pad if needed. There is an additional cost, contact us for pricing.
We deliver all over New England and surrounding areas! Free delivery within an hour radius of Leominster MA. Please message us for any inquiries!
We Finance! Bad credit, no credit? No problem!
Pay as low as $875.66 a month! No sales tax included.
Don’t see the size you're looking for? Message us with questions, we build any size!
Specifications
Disclaimers
- Final price may change due to financing.











